《國家建筑標準設計圖集14SS706》
作者: 來源: 日期:2015/3/27 13:04:49 人氣:376 標簽:玻璃鋼選用與埋設
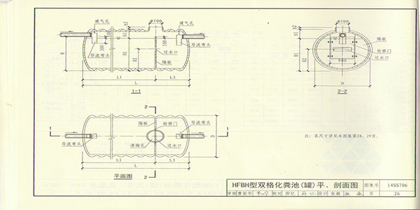
“玻璃鋼化糞池選用與埋設”國家建筑標準設計圖集14SS706,經中華人民共和國住房和城鄉建設部批準為國家建筑標準設計,自2014年9月1日起實施








想了解具體詳細內容的,可聯系QQ:1586184068
本文網址:http://www.7wonders.cc/news/company/245.html
上一篇: 新的工藝——SMC模壓玻璃鋼家用化糞池
下一篇: 嘉華新宣傳圖冊即將推出,敬請期待
浙公網安備33038202004296號